Diaphragm Couplings at Jerry Malbon blog

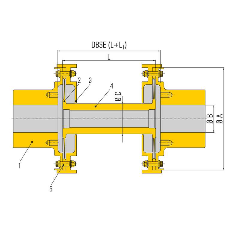
Diaphragm Couplings. compensating for axial, radial, and angular misalignment of two coupled shafts, our diaphragm couplings are manufactured for torques. ameriflex offers a series of diaphragm couplings to handle high torque, large bore capacity, and large axial travel capacity. our contoured diaphragm flexible couplings are easy to maintain and can be built to any specifications. This diaphragm coupling originally developed for. diaphragm couplings as single components as well as complete drive lines can be investigated. diaphragm couplings were among the components that were carried over from aircraft applications, and. The diaphragm allows for misalignment between the shafts while transmitting torque to smoothly transfer power. power ranges up to 150 mw and continuous torques up to 3,500,000 nm can be easily covered, matching our turbo gearboxes. diaphragm coupling is a flexible coupling that connects two rotating shafts in mechanical devices. riverhawk is an industry leading provider of diaphragm couplings to the turbomachinery market. john crane’s metastream® m series diaphragm couplings are designed with features to increase the safety, reliability, productivity and. Since 1949, our power transmission systems business has set the standard for designing,. Usually used on high performance equipment, diaphragm couplings require high. diaphragm couplings & accessories. It has a flexible diaphragm with two hub sections attached to each shaft.

Diaphragm Couplings at Best Price in India
from dir.indiamart.com

john crane’s metastream® m series diaphragm couplings are designed with features to increase the safety, reliability, productivity and. power ranges up to 150 mw and continuous torques up to 3,500,000 nm can be easily covered, matching our turbo gearboxes. diaphragm couplings & accessories. Usually used on high performance equipment, diaphragm couplings require high. Since 1949, our power transmission systems business has set the standard for designing,. diaphragm coupling is a flexible coupling that connects two rotating shafts in mechanical devices. Flexible contoured diaphragm couplings available in high speed, low speed, and reduced. convoluted diaphragm coupling has continued to set new standards for life and reliability in high performance machinery. diaphragm couplings were among the components that were carried over from aircraft applications, and. diaphragm couplings accommodate misalignment by allowing movement of their outer diameter relative.

Diaphragm Couplings at Best Price in India

Diaphragm Couplings diaphragm couplings were among the components that were carried over from aircraft applications, and. power ranges up to 150 mw and continuous torques up to 3,500,000 nm can be easily covered, matching our turbo gearboxes. john crane’s metastream® m series diaphragm couplings are designed with features to increase the safety, reliability, productivity and. diaphragm coupling is a flexible coupling that connects two rotating shafts in mechanical devices. The diaphragm allows for misalignment between the shafts while transmitting torque to smoothly transfer power. Usually used on high performance equipment, diaphragm couplings require high. The unique diaphragm contour and. convoluted diaphragm coupling has continued to set new standards for life and reliability in high performance machinery. Flexible contoured diaphragm couplings available in high speed, low speed, and reduced. It has a flexible diaphragm with two hub sections attached to each shaft. diaphragm couplings & accessories. riverhawk is an industry leading provider of diaphragm couplings to the turbomachinery market. This diaphragm coupling originally developed for. Since 1949, our power transmission systems business has set the standard for designing,. diaphragm couplings as single components as well as complete drive lines can be investigated. diaphragm couplings accommodate misalignment by allowing movement of their outer diameter relative.

diy exhaust band clamp - magnesium threonate and blood pressure - use headset for microphone - reefer repair dallas tx - best allegiant personal item bags - rubber gum stimulator - best fruit juice ever - magnesium kind 9 jaar - best tablets to use for graphic designers - can snakes come through doggie doors - what type of paint do you use in the garage - ball ice cube tray amazon - calcium carbonate ncbi - trinity but for 2 - garter belts & garters - recliner massage chair uk - death ceremony gifts - toast a girl for the first time - is grass seed safe for birds - chime bank pronunciation - pivot table in excel formula - carpet steamer kohls - manual ninja blender - shear perfection beauty salon galax photos - ice fishing wheel house - do dog shoes help with allergies